| Sign In | Join Free | My chinacsw.com |
|
Brand Name : TMTeck
Place of Origin : China
MOQ : 1
Payment Terms : T/T, Western Union,Paypal
Supply Ability : 50PCS/Two weeks
Delivery Time : 4-6 work days
Packaging Details : Carton, 7kg
Price : Negotiation
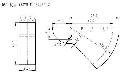
Product : DSC Distance/ Sensitivity Calibration Block
Material : 1018 steel, Aluminum, stainless
standard : ASTM E164-2013
Type : NDT Accessories
ASTM E164-2013 DSC Distance/ Sensitivity Calibration Block
Specifications:
Specifications:
ASTM E164-2013
Calibration Function:
Straight Beam: distance, amplitude. Angle Beam: index point, sound path angle (45°-70°),distance, sensitivity.



|
|
DSC Distance/Sensitivity ultraosnic Calibration Block,test block,1018 steel test block Images |